特種卷簾門品牌廠商認準Newhb菠萝蜜免费观看视频

抗台風卷簾門SGS檢測報(bào)告(gào)

抗台風卷簾門SGS檢測報告1

抗台風卷簾門SGS檢測報告2

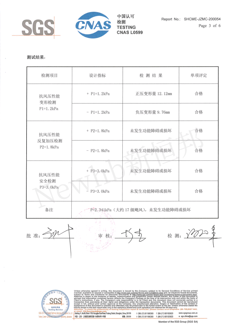
抗台風卷(juàn)簾門SGS檢測(cè)報告(gào)3

抗(kàng)台風卷簾門SGS檢測報告4

抗台風卷(juàn)簾門SGS檢測報告5


菠萝蜜免费观看视频-菠萝蜜视频app在线观看-菠萝蜜污污视频-菠萝蜜视频在线观看入口